Artikelnummer: 8709163
Beställningsvara
Slangvinda 15m högtryck kem 10BAR 3/8
4 934 krEx.moms
6 167,50 krInkl.moms
Kontakta oss för offert
Produktinformation
Specifikationer
Media
Slangvinda 15m högtryck kemikalier 10BAR 3/8 är utformad för att hantera alkaliska kemikalier med ett tryck upp till 10 bar, vilket gör den idealisk för professionell användning inom industri, verkstäder och andra miljöer där kemhantering är en del av arbetsflödet.
Utrustad med ställbara utmatningsarmar, vilket gör placeringen enkel även i trånga utrymmen. Dessutom kan den takmonteras för att frigöra golvyta och skapa en mer organiserad arbetsmiljö. För ytterligare flexibilitet kan vindan kompletteras med ett svängbart väggfäste, vilket möjliggör smidig utdragning och inmatning av slangen i sidled. Detta minskar slitaget på både vinda och slang samtidigt som det säkerställer en jämnare upprullning.
Slangvinda 15m högtryck kemikalier 10BAR 3/8 har en pulverlackerad yta som ger extra hållbarhet och skydd mot slitage. Den är dessutom utrustad med en returfjäder, vilket gör hanteringen av slangen enkel och effektiv.
Observera att denna vinda är avsedd för alkaliska kemikalier och inte för kallavfettningsmedel.
Specifikationer:
- Maxtryck: 10 bar
- Anpassad för: Alkaliska kemikalier (ej kallavfettning)
- Material: Pulverlackerad för extra hållbarhet
- Slanghantering: Returfjäder för enkel upprullning
- Montering: Vägg-, tak- eller svängbart väggfäste (tillval)
- Användningsområden: Industri, verkstäder, kemikaliehantering
Utrustad med ställbara utmatningsarmar, vilket gör placeringen enkel även i trånga utrymmen. Dessutom kan den takmonteras för att frigöra golvyta och skapa en mer organiserad arbetsmiljö. För ytterligare flexibilitet kan vindan kompletteras med ett svängbart väggfäste, vilket möjliggör smidig utdragning och inmatning av slangen i sidled. Detta minskar slitaget på både vinda och slang samtidigt som det säkerställer en jämnare upprullning.
Slangvinda 15m högtryck kemikalier 10BAR 3/8 har en pulverlackerad yta som ger extra hållbarhet och skydd mot slitage. Den är dessutom utrustad med en returfjäder, vilket gör hanteringen av slangen enkel och effektiv.
Observera att denna vinda är avsedd för alkaliska kemikalier och inte för kallavfettningsmedel.
Specifikationer:
- Maxtryck: 10 bar
- Anpassad för: Alkaliska kemikalier (ej kallavfettning)
- Material: Pulverlackerad för extra hållbarhet
- Slanghantering: Returfjäder för enkel upprullning
- Montering: Vägg-, tak- eller svängbart väggfäste (tillval)
- Användningsområden: Industri, verkstäder, kemikaliehantering
- Vinda: Med slang
- Material: Målad metall
- Utförande: Öppen
- Modell: V101015K4R
- Användningsområde: Kem
- Slanglängd: 15 m
- Slangdimension: 10 mm
- Max tryck: 10 bar
- Anslutning in: 3/8″ inv. gänga
- Anslutning ut: 3/8″ utv. gänga
- Reservdelsnummer svirvel: 8700061
- Art. nr svängbart väggfäste: 8709220
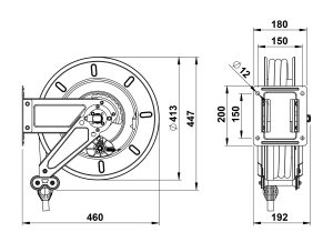
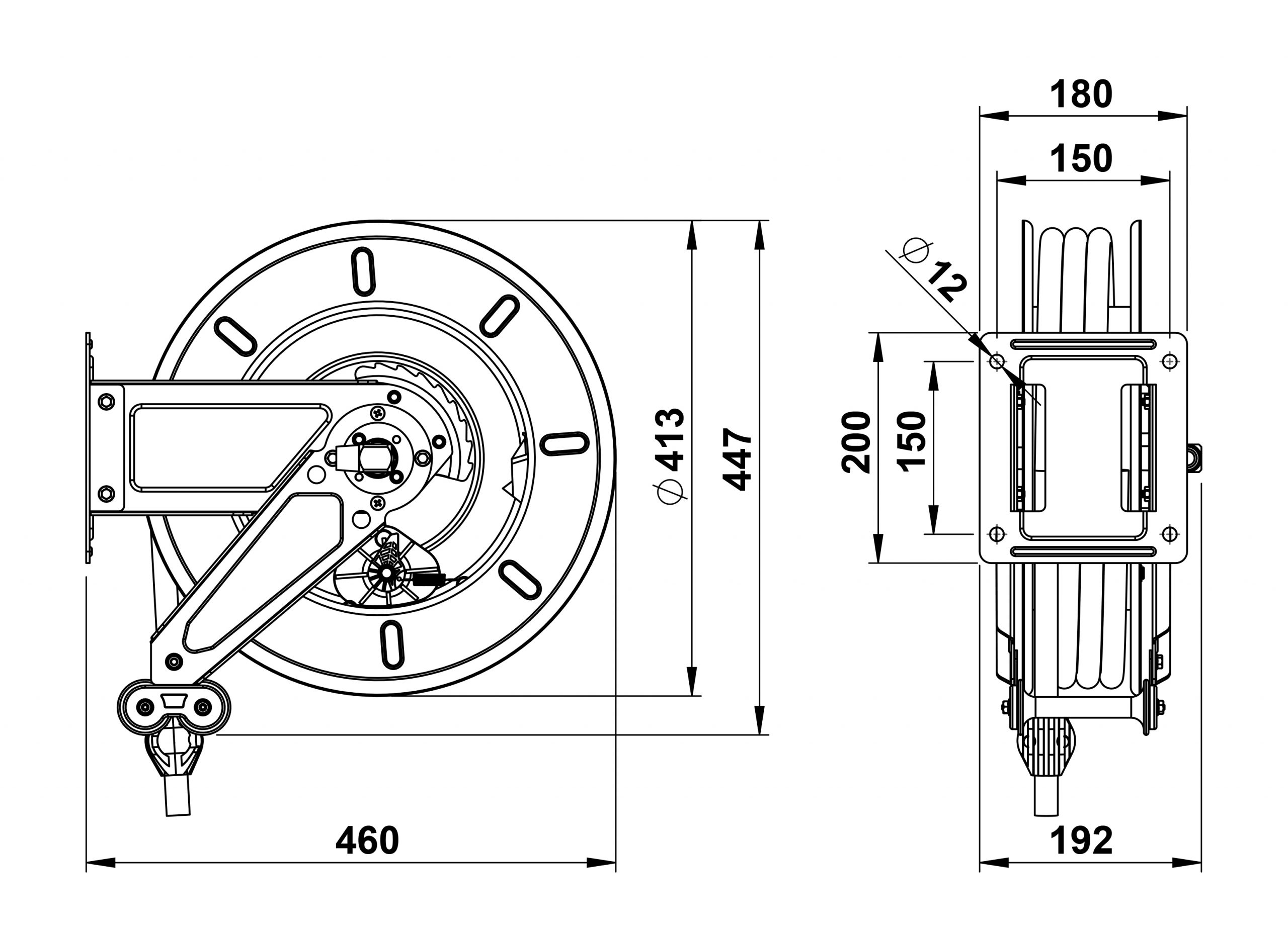
- Mått (LxBxH): 460 x 180 x 447 mm
- Vikt: 16 kg
Tillbehör
Du kanske också gillar
-

-

Slangvinda 20m högtryck GALV 400B 3/8
Art.nr: 8709235 7 760 kr Ex.moms9 700 krInkl.momsBeställningsvara
-

Slangvinda 15M högtryck 400BAR 3/8
Art.nr: 8709192 5 655 kr Ex.moms7 068,75 krInkl.momsBeställningsvara
-

Slangvinda för 15m slang Rostfri högtryck
Art.nr: 8709252 6 994 kr Ex.moms8 742,50 krInkl.momsBeställningsvara




